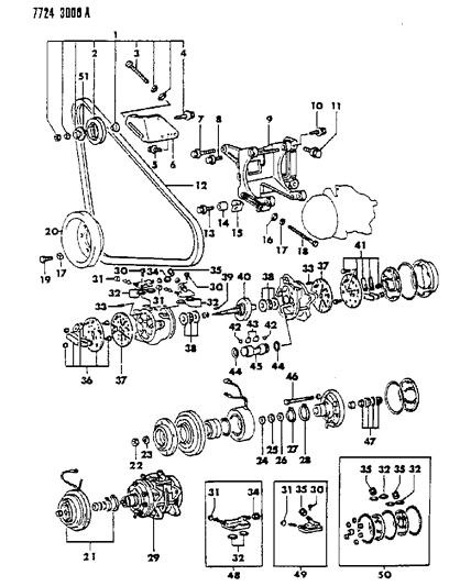
Diagram (1 of 1): HEATER AND AIR CONDITIONING COMPRESSOR, AIR CONDITIONER 24 RWD - CONQUEST
Ref No.
Part No. & Part Description
Price & Qty.
Part No. &
Part Description
1-4
MB239725PULLEY, Tension, up to 8-87- PULLEY, Tension, up to 8-87
1-4
MB609126PULLEY, Tension, up to 8-87
2
MB239728PULLEY, Tension, up to 8-87- PULLEY, Tension, up to 8-87
5 
6
MB272704
BRACKET, Tension Pulley
MF244882BOLT, w/WASHER, (10x30mm)
9
MB199581
BRACKET, Compressor
10 
MF244888BOLT, w/WASHER, (10x50mm)
12
MB199599
BELT, Compressor Drive
13
MF240063
BOLT, w/WASHER, (8x50mm)
24
MB239624
WASHER, Plate, T=0.5
25
MB239623
WASHER, Plate, T=0.2
26
MB239622
WASHER, Plate, T=0.1
27 
34
MB276077
CAP, Suction Side
35
MB276078
CAP, Discharge Side
36
MB239609
PLATE, Valve Front Side
37
MB239611
REED, Suction Valve
41
MB239610
PLATE, Valve Rear Side
48
MB276058
VALVE SET, Suction
49
MB276506
VALVE SET, Discharge
Genuine Mopar Parts, the Right Choice
MoparPartsGiant.com offers the wholesale prices for genuine 1987
Chrysler Conquest parts. Parts like Compressor, Air Conditioner are shipped directly from authorized Mopar dealers and backed by the manufacturer's warranty. Parts fit for the following vehicle options. Engine: . Transmission: 5-Speed Manual Transmission, Automatic Transmission.