Suspension - Front fit your 1994 Chrysler LeBaron Sedan

Currently shopping for
1994 Chrysler LeBaron Sedan
Change Vehicle
Categories Close X

Currently selected

Other Categories

Automatic Transmission
Brakes, Parking
Brakes, Service
Cooling
Doors & Related Parts
Electrical
Electrical - Instrument Panel And Consoles
Emission Systems
Engine
Exhaust
Exterior Ornamentation
Frame & Bumpers
Fuel
Heater & Air Conditioning
Interior Trim
Manual Transmission
Rear Suspension
Sheet Metal - Body
Steering
Wheels & Jacks
Wiper & Washers And Cylinder & Keys
Categories Close X

Currently selected

Other Categories

Automatic Transmission
Brakes, Parking
Brakes, Service
Cooling
Doors & Related Parts
Electrical
Electrical - Instrument Panel And Consoles
Emission Systems
Engine
Exhaust
Exterior Ornamentation
Frame & Bumpers
Fuel
Heater & Air Conditioning
Interior Trim
Manual Transmission
Rear Suspension
Sheet Metal - Body
Steering
Wheels & Jacks
Wiper & Washers And Cylinder & Keys
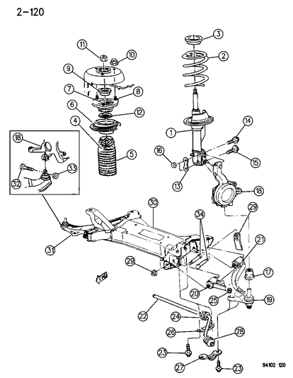
Diagram (1 of 1): FRT.SUSPENSION & DRIVE SUSPENSION, FRONT A BODY
1994 Chrysler LeBaron Sedan Suspension - Front Diagram
Enlarge Diagram
Sort by:
Ref No.
Ref No.
Part No. & Part Description
Price & Qty.
Part No. &
Part Description
  • 1
    4449626
    STRUT, Damper Assy.
    • w/Std. Susp. (SDA)
    • Fitting Vehicle Options: D,P
    • Require Quantity: 2
  • 1
    4449627
    STRUT, Damper Assy.
    • w/Firm Feel Susp. (SDC)
    • Require Quantity: 2
  • 1
    4626046
    STRUT, Damper Assy.
    • EUROPEAN, (SDF)
    • Require Quantity: 2
  • 1
    4626049
    STRUT, Damper Assy.
    • w/Std. Susp. (SDA)
    • Fitting Vehicle Options: C
    • Require Quantity: 2
  • 2
    4449484
    SPRING, Front Suspension
    • w/Firm Feel Susp. (SDC)(Z74), Tag #484.
      w/Std. Susp. (SDA)(Z74), Tag #484
    • Fitting Vehicle Options: D
  • 2
    4449486
    SPRING, Front Suspension
    • w/Firm Feel Susp. (SDC)(Z55,56,75,76), Tag #485 or 486.
      w/Std. Susp. (SDA)(Z55,56,75,76), Tag #485 or 486.
    • Fitting Vehicle Options: D
  • 2
    4449488
    SPRING, Front Suspension
    • w/Firm Feel Susp. (SDC)(Z57,58,77,78), Tag #487 or 488.
      w/Std. Susp. (SDA)(Z57,58,77,78), Tag #487 or 488.
    • Fitting Vehicle Options: D
  • 2
    4449490
    SPRING, Front Suspension
    • w/Firm Feel Susp. (SDC)(Z59,61,79,81), Tag #489 or 490.
      w/Std. Susp. (SDA)(Z59,61,79,81), Tag #489 or 490.
    • Fitting Vehicle Options: D
  • 2
    4449492
    SPRING, Front Suspension
    • w/Firm Feel Susp. (SDC)(Z62,63,82), Tag #491 or49 2.
      w/Std. Susp. (SDA)(Z62,63,82), Tag #491 or 492.
    • Fitting Vehicle Options: D
  • 2
    4449516
    SPRING, Front Suspension
    • EUROPEAN (SDF)(Z76), Tag #516.
  • 2
    4449518
    SPRING, Front Suspension
    • EUROPEAN (SDF)(Z57,58,77,78), Tag #517 or 518.
  • 2
    4449520
    SPRING, Front Suspension
    • EUROPEAN (SDF)(Z59,61,79,81), Tag #519 or 520.
  • 2
    4449522
    SPRING, Front Suspension
    • EUROPEAN (SDF)(Z62), Tag #521 or 522.
  • 2
    4449708
    SPRING, Front Suspension
    • w/Std. Susp. (SDA)(Z78), Tag #708.
    • Fitting Vehicle Options: C
  • 2
    4449710
    SPRING, Front Suspension
    • w/Std. Susp. (SDA)(Z59,61,79,81), Tag #709 or 710.
    • Fitting Vehicle Options: C
  • 2
    4449712
    SPRING, Front Suspension
    • w/Std. Susp. (SDA)(Z62,63,82,83), Tag #711 or 712.
    • Fitting Vehicle Options: C
  • 2
    4449714
    SPRING, Front Suspension
    • w/Std. Susp. (SDA)(Z64,65,66,84,85), Tag #713, 714 or 715.
    • Fitting Vehicle Options: C
  • 4
    4449064
    SHIELD, Dust, Frt. Susp. Strut Dmpr.
    • Require Quantity: 2
  • 5
    4626090
    BUMPER, Frt. Susp. Strut Dmpr. (Serv. 4449064 Pkg.)
    • Require Quantity: 2
  • 6
    4322628
    SEAT, Frt. Susp. Strut Dmpr., Upper
    • Require Quantity: 2
  • 7
    4322633
    WASHER, Strut Damper
    • Require Quantity: 2
  • 8
    4404976
    BEARING, w/Mount Frt. Susp. Strut Dmpr.
    • BEARING, w/Mount Frt. Susp. Strut Dmpr.
    • Require Quantity: 2
  • 8
    4404977
    BEARING, w/Mount Frt. Susp. Strut Dmpr.
    • Mount w/o Bearing
    • Require Quantity: 2
  • 17
    4052509
    SEAL, Frt. Susp. Cont. Arm B/Joint
    • Require Quantity: 2
  • 19
    4449553
    BALL JOINT, Frt. Susp. Strg. Knuckle
    • Require Quantity: 2
  • 26
    4404290
    CLAMP, Shaft Bshg., Lwr.
    • Require Quantity: 2
  • 27
    5272045
    RETAINER, Shaft Arm
    • Require Quantity: 2
  • 28
    5272214
    BUSHING, Sway Frt. Susp. Cont.
    • Require Quantity: 2
  • 29
    4449363
    NUT, Cont. Arm Pivot Rear
    • Front
    • Require Quantity: 2
  • 29
    6101515
    NUT, Cont. Arm Pivot Rear
    • NUT, Cont. Arm Pivot Rear
    • Require Quantity: 2
  • 33
    6502335
    NUT
    • Require Quantity: 2
  • 34
    6501484
    BOLT
    • Require Quantity: 2
Genuine Mopar Parts, the Right Choice
MoparPartsGiant.com offers the wholesale prices for genuine 1994 Chrysler LeBaron Sedan parts. Parts like Suspension - Front are shipped directly from authorized Mopar dealers and backed by the manufacturer's warranty. Parts fit for the following vehicle options. Engine: 4 Cyl 2.5L, 6 Cyl 3.0L. Transmission: 3-Speed Automatic Transmission, 4-Speed Automatic Transmission.