Plumbing - A/C & Heater fit your 1995 Dodge Dakota

Currently shopping for
1995 Dodge Dakota
Change Vehicle
Categories Close X

Currently selected

Other Categories

Automatic Transmission
Brakes, Parking
Brakes, Service
Clutch
Cooling
Doors & Related Parts
Electrical
Electrical - Instrument Panel And Consoles
Emission Systems
Engine
Exhaust
Exterior Ornamentation
Frame & Bumpers
Front Suspension & Drive
Fuel
Interior Trim
Manual Transmission
Propeller Shaft And Universal Joint
Rear Axle
Rear Suspension
Sheet Metal - Body
Steering
Transfer Case Model
Wheels, Covers & Jacks
Wiper & Washers And Cylinder & Keys
Categories Close X

Currently selected

Other Categories

Automatic Transmission
Brakes, Parking
Brakes, Service
Clutch
Cooling
Doors & Related Parts
Electrical
Electrical - Instrument Panel And Consoles
Emission Systems
Engine
Exhaust
Exterior Ornamentation
Frame & Bumpers
Front Suspension & Drive
Fuel
Interior Trim
Manual Transmission
Propeller Shaft And Universal Joint
Rear Axle
Rear Suspension
Sheet Metal - Body
Steering
Transfer Case Model
Wheels, Covers & Jacks
Wiper & Washers And Cylinder & Keys
2 diagrams found for the vehicle you selected.Select your vehicle options to narrow down results.
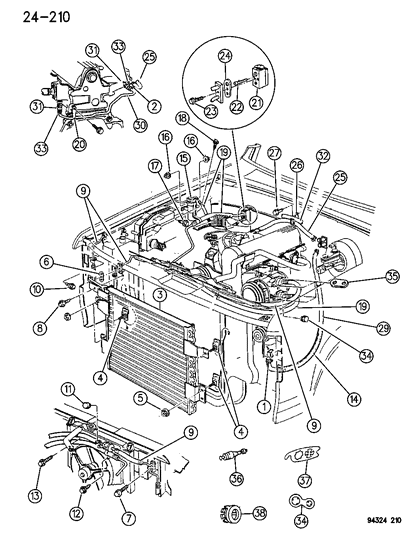
  • 1.HEATER AND AIR CONDITIONING PLUMBING AIR CONDITIONING AND HEATER 2.5L ENGINE N BODY
    1995 Dodge Dakota Plumbing - A/C & Heater Diagram 1
  • 2.HEATER AND AIR CONDITIONING PLUMBING, AIR CONDITIONING AND HEATER 3.9L/5.2L ENGINE N BODY
    1995 Dodge Dakota Plumbing - A/C & Heater Diagram 2
Sort by:
Ref No.
Ref No.
Part No. & Part Description
Price & Qty.
Part No. &
Part Description
  • 1
    Dodge 4761998
    4761998
    ACCUMULATOR ASSEMBLY, w/Suction Line
    • Round Shaped Connector (SWITCH, Cycling Low Pressure)
  • 1
    Dodge 4773188
    4773188
    ACCUMULATOR ASSEMBLY, w/Suction Line
    • Oval Shaped Connector (SWITCH, Cycling Low Pressure)
  • 1
    55035817
    ACCUMULATOR ASSEMBLY, w/Suction Line
    • 1994
  • 1
    55036715
    ACCUMULATOR ASSEMBLY, w/Suction Line
    • 1995-96
    • Replaced By: 55036715AB
  • 2
    0153640
    CLAMP
  • 4
    Dodge 6030223
    6030223
    BOLT, A/C Condenser Mtg.
  • 5
    55036621
    HOSE, w/Sleeve, Core to Engine
    • 3.9L, 1994-95
  • 5
    55036623
    HOSE, w/Sleeve, Core to Engine
    • 5.2L, 1994-95
  • 5
    55037047
    HOSE, w/Sleeve, Core to Engine
    • 3.9L,
  • 5
  • 6
    6502017
    CLAMP
    • Require Quantity: 4
    • Package Quantity: 1
    $8.60 $5.88
    1
    Add To Cart
  • 11
    3848585
    CAP, Discharge and Liquid Line Check Valve
  • 12
    Dodge 6030223
    6030223
    BOLT
    • Require Quantity: 4
  • 12
    6032473
    SCREW, A/C Disch. Muffler to Shroud
  • 13
    6033560
    NUT
    • Require Quantity: 4
    • Package Quantity: 1
    $6.50 $4.49
    1
    Add To Cart
  • 13
    6032473
    SCREW, A/C Line Mtg. Brkt. to Shroud
  • 15
    Dodge 4761998
    4761998
    ACCUMULATOR, w/Suction Line
    • Round Connector (SWITCH, Low Pressure Cycling)
  • 15
    Dodge 4773188
    4773188
    ACCUMULATOR, w/Suction Line
    • Oval Connector (SWITCH, Low Pressure Cycling)
  • 15
    55035817
    ACCUMULATOR, w/Suction Line
    • 1994
  • 15
    55036211
    ACCUMULATOR, w/Suction Line
    • BRACKET, Accumulator Mounting
  • 15
    55036704
    ACCUMULATOR, w/Suction Line
    • 1995
    • Replaced By: 55036704AB
  • 15
    55036715
    ACCUMULATOR, w/Suction Line
    • 1996
    • Replaced By: 55036715AB
  • 16
    6033562
    NUT, A/C Liq. Line Mtg. to Drier
    • Require Quantity: 2
  • 18
    9423951
    SCREW, A/C Suction Line Support Mtg.
  • 19
    55036211
    BRACKET, Accumulator Mounting
  • 20
    53020187
    BRACKET, Water By Pass
  • 24
    3846834
    GASKET, A/C Suction and Liquid Line to H Valve
  • 25
    55036627
    HOSE, Htr. Engine to Valve, Intake Manifold (Preformed)
    • 1994-95
  • 25
    Dodge 55037628
    55037628
    HOSE, Htr. Engine to Valve, Intake Manifold (Preformed)
    • 1996
  • 30
    4343713
    TUBE, Thermo Water By Pass
  • 31
    0153640
    CLAMP, Thermo Hose By Pass
    • Require Quantity: 2
  • 35
    3847083
    GASKET, A/C Suction Disch. Liq. Line Mtg. to Drier
  • 36
    3849468
    VALVE, Suction and Disch. Check
  • 38
    3847147
    PILOT
    • PILOT
  • 38
    3848208
    PILOT
    • PILOT, Gasket Package, A/C Expansion Valve
  • 38
    55036624
    PILOT
    • 1994-95 (HOSE, Tube to Pump)
  • 38
    55036628
    PILOT
    • HOSE, w/Tube, Core to Hose, A/C
  • 38
    55037629
    PILOT
    • 1996 (HOSE, Tube to Pump)
    $23.00 $17.80
    1
    Add To Cart
Genuine Mopar Parts, the Right Choice
MoparPartsGiant.com offers the wholesale prices for genuine 1995 Dodge Dakota parts. Parts like Plumbing - A/C & Heater are shipped directly from authorized Mopar dealers and backed by the manufacturer's warranty. Parts fit for the following vehicle options. Engine: 4 Cyl 2.5L, 6 Cyl 3.9L, 8 Cyl 5.2L. Transmission: 4-Speed Automatic Transmission, 5-Speed Manual Transmission.