Engine Mounting Right Side fit your 2009 Chrysler 300

Currently shopping for
2009 Chrysler 300
Change Vehicle
Categories Close X

Currently selected

Other Categories

Air Conditioners & Heater
Automatic Transmission
Body - Sheet Metal Except Doors
Brakes
Cooling
Differential And Drive Line
Doors, Door Mirrors And Related Parts
Electrical
Emission Controls
Exhaust
Exterior Ornamentation
Frame, Bumper And Fascia
Front Suspension
Fuel
Glass
Interior Trim
Labels
Mopar Accessories - Component Parts
Rear Suspension
Restraints
Steering
Transfer Case
Wheels
Categories Close X

Currently selected

Other Categories

Air Conditioners & Heater
Automatic Transmission
Body - Sheet Metal Except Doors
Brakes
Cooling
Differential And Drive Line
Doors, Door Mirrors And Related Parts
Electrical
Emission Controls
Exhaust
Exterior Ornamentation
Frame, Bumper And Fascia
Front Suspension
Fuel
Glass
Interior Trim
Labels
Mopar Accessories - Component Parts
Rear Suspension
Restraints
Steering
Transfer Case
Wheels
8 diagrams found for the vehicle you selected.Select your vehicle options to narrow down results.
  • 1.2.7L Gas; Engine Engine Mounting Right Side RWD/2WD 2.7L [EER]
    2009 Chrysler 300 Engine Mounting Right Side Diagram 1
  • 2.3.5L Gas; Engine Engine Mounting Right Side AWD/4WD 3.5L [EGG]
    2009 Chrysler 300 Engine Mounting Right Side Diagram 2
  • 3.3.5L Gas; Engine Engine Mounting Right Side RWD/2WD 3.5L [EGG]
    2009 Chrysler 300 Engine Mounting Right Side Diagram 3
  • 4.5.7L Gas; Engine Engine Mounting Right Side AWD/4WD 5.7L [EZD]
    2009 Chrysler 300 Engine Mounting Right Side Diagram 4
  • 5.5.7L Gas; Engine Engine Mounting Right Side AWD/4WD 5.7L [EZH]
    2009 Chrysler 300 Engine Mounting Right Side Diagram 5
  • 6.5.7L Gas; Engine Engine Mounting Right Side RWD/2WD 5.7L [EZD]
    2009 Chrysler 300 Engine Mounting Right Side Diagram 6
  • 7.5.7L Gas; Engine Engine Mounting Right Side RWD/2WD 5.7L [EZH]
    2009 Chrysler 300 Engine Mounting Right Side Diagram 7
  • 8.6.1L Gas; Engine Engine Munting Right Side RWD/2WD 6.1L [ESF]
    2009 Chrysler 300 Engine Mounting Right Side Diagram 8
Sort by:
Ref No.
Ref No.
Part No. & Part Description
Price & Qty.
Part No. &
Part Description
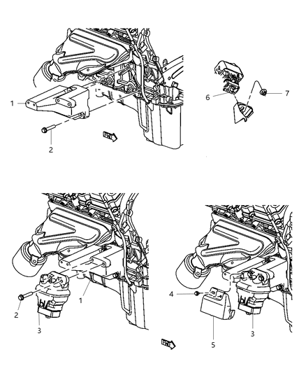
  • 1
    6101622
    BOLT Hex Flange Head M10X1.50X55.00
    • Mounting Engine Mount Bracket To Cylinder Block
    • Fitting Vehicle Options: 48 - SEDAN TYPE #8, C - CHRYSLER, EG0, F - BRAND AWD
    • Require Quantity: 6
    • Package Quantity: 1
  • 1
    6101622
    BOLT Hex Flange Head M10X1.50X55.00
    • Mounting Engine Mount To Engine Bracket
      Mounting Engine Mount To Engine Mount Bracket
    • Fitting Vehicle Options: 48 - SEDAN TYPE #8, C - CHRYSLER, ES0, EZ0, F - BRAND AWD
    • Require Quantity: 3
    • Package Quantity: 1
  • 1
    6101622
    BOLT Hex Flange Head M10X1.50X55.00
    • Mounting Engine Mount Bracket To Cylinder Block
    • Fitting Vehicle Options: 48 - SEDAN TYPE #8, C - CHRYSLER, ES0, EZ0, F - BRAND AWD
    • Require Quantity: 8
    • Package Quantity: 1
  • 1
    6101622
    BOLT Hex Flange Head M10X1.50X55.00
    • Mounting Engine Mount To Engine Mount Bracket
    • Fitting Vehicle Options: 48 - SEDAN TYPE #8, C - CHRYSLER, EE0, EG0, F - BRAND AWD
    • Require Quantity: 4
    • Package Quantity: 1
  • 4
    6508120AA
    NUT M10x1.50
    • Mounting Engine Mount To Cradle
    • Fitting Vehicle Options: 48 - SEDAN TYPE #8, C - CHRYSLER
    • Require Quantity: 4
    • Package Quantity: 4
    $10.60 $7.34
    4
    Add To Cart
  • 4
    6508120AA
    NUT M10x1.50
    • Mounting Engine Mount To Cradle
    • Fitting Vehicle Options: 48 - SEDAN TYPE #8, F - BRAND AWD
    • Require Quantity: 2
    • Package Quantity: 4
    $10.60 $7.34
    4
    Add To Cart
Genuine Mopar Parts, the Right Choice
MoparPartsGiant.com offers the wholesale prices for genuine 2009 Chrysler 300 parts. Parts like Engine Mounting Right Side are shipped directly from authorized Mopar dealers and backed by the manufacturer's warranty. Parts fit for the following vehicle options. Engine: 6 Cyl 2.7L, 6 Cyl 3.5L, 8 Cyl 5.7L, 8 Cyl 6.1L. Transmission: 4-Speed Automatic Transmission, 5-Speed Automatic Transmission.