Engine Cylinder Block Heater fit your 2013 Dodge Journey

Currently shopping for
2013 Dodge Journey
Change Vehicle
Categories Close X
Categories Close X
2 diagrams found for the vehicle you selected.Select your vehicle options to narrow down results.
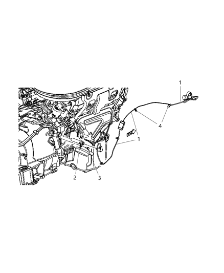
  • 1.2.4L Gas; Engine Engine Cylinder Block Heater 2.4L [ED3] [NHK]
    2013 Dodge Journey Engine Cylinder Block Heater Diagram 1
  • 2.3.6L Gas; Engine Engine Cylinder Block Heater 3.6L [ERB] [NHK]
    2013 Dodge Journey Engine Cylinder Block Heater Diagram 2
Sort by:
Ref No.
Ref No.
Part No. & Part Description
Price & Qty.
Part No. &
Part Description
Genuine Mopar Parts, the Right Choice
MoparPartsGiant.com offers the wholesale prices for genuine 2013 Dodge Journey parts. Parts like Engine Cylinder Block Heater are shipped directly from authorized Mopar dealers and backed by the manufacturer's warranty. Parts fit for the following vehicle options. Engine: 4 Cyl 2.4L, 6 Cyl 3.6L. Transmission: 4-Speed Automatic Transmission, 6-Speed Automatic Transmission.