3 diagrams found for the vehicle you selected.Select your vehicle options to narrow down results.
- 1.ENGINE, 4 CYLINDER CAMSHAFT & VALVES - A ENGINE (27,45)
- 2.ENGINE, 4 CYLINDER CAMSHAFT & VALVES - F,W ENGINE (24R,27)
- 3.ENGINE, 4 CYLINDER CAMSHAFT & VALVES (DIESEL) (27)
Ref No.
Part No. & Part Description
Price & Qty.
Part No. &
Part Description
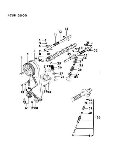
2
MD050147
SPROCKET, Camshaft
2
MD001485SPROCKET, Camshaft (Up to May 84) 2
MD011482SPROCKET, Camshaft (Up to May 84)- SPROCKET, Camshaft (Up to May 84)
2
MD065934
SPROCKET, Camshaft (Up to May 84)
2 
3
3
TB000091BELT, Timing- Mopar V-Line Alternative Part
3
MD021247
GEAR, Distributor
4
MD021219
PIN, Spring (6x18)
4
MD065628SCREW, Adjusting, Rocker Arm
6
MD050140CAMSHAFT ASSY. (Exc. Calif.)- CAMSHAFT ASSY. (Exc. Calif.)
6
MD074166CAMSHAFT ASSY. (Exc. Calif.)
7
MD021237
HOLDER, Camshaft Sprocket
7
MD061895LOCK, Valve Spring Retainer
8
MS101311BOLT, Flange (6x10)
MD066498RETAINER, Valve Spring
8
MD070755ROCKER ARM, Exhaust
9
MD040768CAMSHAFT ASSY.- (Canada)
- Fitting Vehicle Options: 27
9
MD050103
SHAFT, Rocker Arm
9
MD022235
SPRING, Tensioner
10
MD021233
SLEEVE, Timing Chain Tension
10
MD030625SPRING, Rocker Shaft
11
MD070754ROCKER ARM, Inlet
11
MD000962SPRING, Rocker Shaft RH
12
MD021232
GUIDE, Chain Loose Side
12
MD040784
SHAFT ASSY., Rocker Arm
13
MD020843
SPROCKET, Crankshaft
14
MD021231
GUIDE, Chain Tension Side
14 
14
MD019845SCREW, Adjusting, Rocker Arm (Exc. Calif.) 14
MD071642SCREW, Adjusting, Rocker Arm (Exc. Calif.)
15
MD019845SCREW, Adjusting Rocker Arm (Up to May 84)- SCREW, Adjusting Rocker Arm (Up to May 84)
- Require Quantity: 8
15
MD065628SCREW, Adjusting Rocker Arm (Up to May 84)- (After May 84)
- Require Quantity: 8
15
MD011535
SPACER, Tensioner
16 
16
MD041925
SPRING, Tensioner
17
MD050137
SPACER, Tensioner
18
MD023226ROCKER ARM, Exhaust
18
MD050136
SPACER, Tensioner
19 
19
MD021211SPRING, Rocker Shaft
19
MB140593
WASHER, Plain (8)
20
MD023198
SHAFT ASSY, Rocker Arm Rt.
20
MD041405
SPROCKET, Oil Pump
20
MD050135
TENSIONER ASSY., Timing Belt
21
MD008760LOCK, Valve Spring Retainer (Up to May 84) 21
MD061895LOCK, Valve Spring Retainer (Up to May 84)
21
MD050148
SPROCKET, Crankshaft
22
MD008761RETAINER, Valve Spring (Up to May 84) MD066498RETAINER, Valve Spring (Up to May 84)
22
MD011534
SPACER, Tensioner, Under
23 
23
MD068390
SPROCKET, Injection Pump
24
MD009371SCREW, Adjusting Rocker Arm w/Jet Valve
24 
25
MS100941
BOLT, Flange (8x25)
26
MD023196
SHAFT ASSY, Rocker Arm Lt.
27
MD008760LOCK, Valve Spring Retainer
27
MD023225ROCKER ARM, Intake
27
MD000507SEAT, Valve Spring
28
MD008761RETAINER, Valve Spring
28
MD000508SEAL, Valve Stem (Up to May 84)- SEAL, Valve Stem (Up to May 84)
- Require Quantity: 8
28
MD000508SEAL, Valve Stem (Up to May 84)- SEAL, Intake Valve Stem (After May 84)
- Require Quantity: 4
28
MD070695SEAL, Valve Stem (Up to May 84)
28
MD070694VALVE, Exhaust- (Canada)
- Fitting Vehicle Options: 27
- Require Quantity: 4
29
MD022591SPRING, Valve (Up to May 84)- SPRING, Valve (Up to May 84)
- Require Quantity: 8
MD073398SPRING, Valve (Up to May 84)- (After May 84)
- Require Quantity: 8
30
MD000507SEAT, Valve Spring
31
MD009371SCREW, Adjusting, Rocker Arm (Exc. Canada)
31
MD000507SEAT, Valve Spring
31
MD024519VALVE, Exhaust (Up to May 84)- VALVE, Exhaust (Up to May 84)
- Require Quantity: 4
31
MD083851VALVE, Exhaust (Up to May 84)- (After May 84)
- Require Quantity: 4
32
MD040780ROCKER ARM B (Exc. Canada)
32
MD024518VALVE, Intake (Up to May 84) 32
MD083848VALVE, Intake (Up to May 84)
33
MD040782
SHAFT ASSY., Rocker Arm
33 
34
MD009365LOCK, Valve Spring Retainer w/Jet Valve
34
MD023225ROCKER ARM A (Exc. Canada)
35
MD009784RETAINER, Valve Spring w/Jet Valve
36
MD009783SPRING, Valve w/Jet Valve
36 
37
MD009365LOCK, Valve Spring Retainer (Exc. Canada)
37
MD006268SEAL, Valve Stem w/Jet Valve
38
MD009786O-RING w/Jet Valve
38
MD009784RETAINER, Valve Spring (Exc. Canada)
39
MD009783SPRING, Valve (Exc. Canada)
40
MD006268SEAL, Valve Stem (Exc. Canada)
41
MD009786O-RING (Exc. Canada)
Genuine Mopar Parts, the Right Choice
MoparPartsGiant.com offers the wholesale prices for genuine 1984
Dodge Ram 50 parts. Parts like Camshaft & Valves are shipped directly from authorized Mopar dealers and backed by the manufacturer's warranty. Parts fit for the following vehicle options. Engine: , 4 Cyl 2.4L. Transmission: 4-Speed Manual Transmission, Automatic Transmission, Manual Transmission.