Lever & Cables, Parking Brake fit your 1985 Dodge Ram Van

Currently shopping for
1985 Dodge Ram Van
Change Vehicle
Categories Close X

Currently selected

Other Categories

Automatic Transmission
Body - Doors And Related Parts
Body - Sheet Metal Except Doors
Brakes, Service
Clutch
Cooling
Electrical
Electrical - Instrument Panel And Consoles
Emission Systems
Engine
Exhaust
Frame & Bumpers
Front Suspension & Drive
Fuel
Heater & Air Conditioning
Manual Transmission
Propeller Shaft And Universal Joint
Rear Axle
Rear Suspension
Steering
Wheels
Wiper & Washers And Cylinder & Keys
Categories Close X

Currently selected

Other Categories

Automatic Transmission
Body - Doors And Related Parts
Body - Sheet Metal Except Doors
Brakes, Service
Clutch
Cooling
Electrical
Electrical - Instrument Panel And Consoles
Emission Systems
Engine
Exhaust
Frame & Bumpers
Front Suspension & Drive
Fuel
Heater & Air Conditioning
Manual Transmission
Propeller Shaft And Universal Joint
Rear Axle
Rear Suspension
Steering
Wheels
Wiper & Washers And Cylinder & Keys
2 diagrams found for the vehicle you selected.Select your vehicle options to narrow down results.
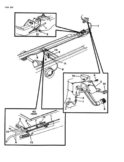
  • 1.BRAKES, PARKING LEVER AND CABLE, PARKING BRAKE B1,2
    1985 Dodge Ram Van Lever & Cables, Parking Brake Diagram 1
  • 2.BRAKES, PARKING LEVER AND CABLE, PARKING BRAKE B3
    1985 Dodge Ram Van Lever & Cables, Parking Brake Diagram 2
Sort by:
Ref No.
Ref No.
Part No. & Part Description
Price & Qty.
Part No. &
Part Description
  • 1
    4294105
    CABLE, Front, w/127" W.B., 135.50" Lg.
  • 1
    4294103
    CABLE, Parking Brake, Front
    • w/109" W.B., 111.00" Lg.
  • 1
    4294104
    CABLE, Parking Brake, Front
    • w/127" W.B., 129.75" Lg.
  • 3
    4036655
    LEVER ASSY., Parking Brake, Foot
    • LEVER ASSY., Parking Brake, Foot
  • 3
    4294187
    LEVER ASSY., Parking Brake, Foot
    • LEVER ASSY., Parking Brake, Foot
  • 7
    3492980
    CLIP, Cable Retaining, Front
  • 7
    6030607
    NUT, Cable Adjusting, 5/16-18
  • 8
    3898231
    CABLE, Rear, Left, 44"Lg.
    • CABLE, Rear, Left, 44"Lg.
  • 8 Dodge 4210918
    4210918
    CABLE, Rear, Left, 44"Lg.
    • GUIDE, Cable Side Rail, w/Aux. A/C & Htr. (Wire Type)
  • 8
    4210922
    CABLE, Rear, Left, 44"Lg.
    • Right, 127" W.B., 82" Lg.
  • 12
    4294219
    CABLE, Rear Right, 83.12" Lg.
  • 12
    4036907
    EQUALIZER, Cable
  • 13
    2509796
    SPRING, Equalizer
  • 14
    4086497
    HANDLE, Release Rod
  • 15
    4215934
    BRACKET, Cowl Panel
  • 15
    4112022
    BRACKET, Rear Cable Anchor
  • 16
    4087598
    BRACKET, Cowl Panel
  • 16
    4112019
    BRACKET, Front Cable Anchor
  • 17
    4112019
    BRACKET, Front Cable Anchor
  • 17
    4112018
    BRACKET, Rear Cable Anchor
  • 18
    3575604
    CONNECTOR, Brake Cable Adjusting
  • 19
    3575605
    CONNECTOR, Rear Cable
  • 20
    3467939
    RETAINER, Right Rear Cable
  • 21
    6030607
    NUT, Cable Adjusting, 5/16-18
Genuine Mopar Parts, the Right Choice
MoparPartsGiant.com offers the wholesale prices for genuine 1985 Dodge Ram Van parts. Parts like Lever & Cables, Parking Brake are shipped directly from authorized Mopar dealers and backed by the manufacturer's warranty. Parts fit for the following vehicle options. Engine: 6 Cyl 3.7L, 8 Cyl 5.2L, 8 Cyl 5.9L. Transmission: 4-Speed Manual Transmission, Automatic Transmission.