2 diagrams found for the vehicle you selected.Select your vehicle options to narrow down results.
- 1.ENGINE, 4 CYLINDER OIL PAN, OIL PUMP & OIL FILTER 1.6 L ENGINE
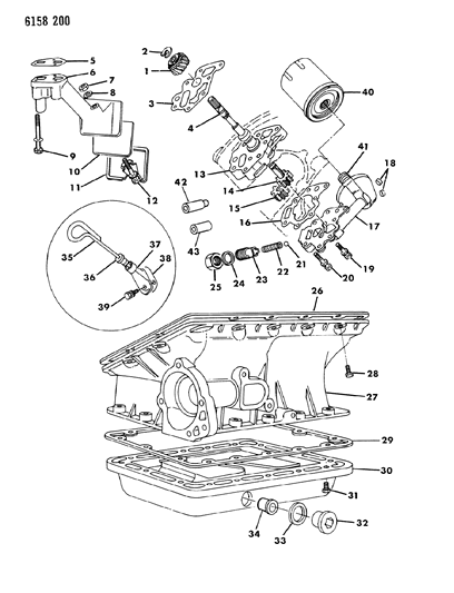
- 2.ENGINE, 4 CYLINDER OIL PAN, OIL PUMP & OIL FILTER 2.6 L ENGINE
Ref No.
Part No. & Part Description
Price & Qty.
Part No. &
Part Description
1
MD024770
CASE, Timing Chain
2
MD020324
GASKET, Chain Case, Rt.
2
4273767
RETAINING RING, Oil Pump Gear
3
MD020325
GASKET, Chain Case, Lt.
4
MS101243BOLT, Flange (8x58)
4
4273761
DRIVE SHAFT, Oil Pump
5
4273772
GASKET, Strainer Oil Pick-Up
6
4273768
STRAINER, Oil Pick-Up
7
4173715
NUT, Screen Cover Strainer Screw
8
MS101245BOLT, Flange (8x68)
8
4173711
WASHER, Screen Cover Strainer Screw
9 
9
4273759SCREW, Oil Pick-Up Strainer (M7x1.0x50)
MF241269BOLT, w/Washer (8x80)
10
4273770
SCREEN, Strainer Oil Pick-Up
11
MD071550
BRACKET, Engine Support, Right
11
4273771
COVER, Oil Strainer Screen
MF241269BOLT, w/Washer (8x80)
12
4273774
SCREW, Screen Cover Strainer
13
MD074097
BRACKET, Timing Indicator
16
MD021577
GASKET, Oil Screen
17 
18
MD025223
SCREEN ASSEMBLY, Oil
19
MD024775
PAN ASSEMBLY, Oil
19
4273759SCREW, Oil Pump Cover (M7x1.0x50)
20
MD000318PLUG, Oil Drain (M18)
25
MD026762
ROD ASSEMBLY, Oil Level Gauge
26
MD024928
GUIDE, Oil Level Gauge
29
MD060518
BODY, w/Cover, Oil Pump
29
4273722
GASKET, Oil Pan Bottom Cover
30
4273857
COVER ASSEMBLY, Oil Pan Bottom
31
4273724SCREW, Oil Pan Bottom Cover
31
MF350083
SCREW, w/Washer (6x40)
32
MD061314
GEAR, Oil Pump Driven
32
4273728
PLUG, Oil Pan Drain
33
4273726
GASKET, Oil Pan Drain Plug
33
MD061313
GEAR, Oil Pump Drive
34
4273720
COLLAR, Oil Pan Drain Plug
34 
35
4273731
INDICATOR, Oil Level
36
4273735
GASKET, Oil Level Indiactor
37
MS101315
BOLT, Flange (6x16)
37
4273736
BRACKET, Oil Level Indicator
38
MD031805
FILTER ASSEMBLY, Oil
38
4273737
GASKET, Oil Level Indicator Bracket
39
4273873SCREW, Oil Level Indicator Bracket
41
4273811
ADAPTER, Oil Filter
41
MS101322
BOLT, Flange (6x45)
42
MS101316
BOLT, Flange (6x22)
43
MD027152
BOLT and WASHER, (8x14)
45
MD027152BOLT, (10x15-10T)
4271998
PACKAGE, Oil Pump Relief Valve
4293858
REPAIR PACKAGE, Distributor & Oil Pump Drive Shaft
4273759SCREW and WASHER, Oil Pump to Cylinder Block
Genuine Mopar Parts, the Right Choice
MoparPartsGiant.com offers the wholesale prices for genuine 1986
Dodge Charger parts. Parts like Oil Pan, Oil Pump & Oil Filter are shipped directly from authorized Mopar dealers and backed by the manufacturer's warranty. Parts fit for the following vehicle options. Engine: 4 Cyl 1.6L, 4 Cyl 2.2L. Transmission: 4-Speed Manual Transmission, 5-Speed Manual Transmission, Automatic Transmission.