2 diagrams found for the vehicle you selected.Select your vehicle options to narrow down results.
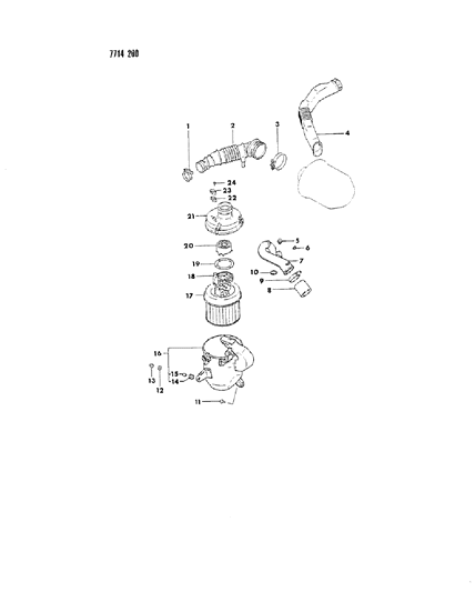
- 1.FUEL AIR CLEANER - K ENGINE TURBO 24,41 FWD - COLT L A
- 2.FUEL AIR CLEANER - Q ENGINE 24,41 FWD - COLT L A
Ref No.
Part No. & Part Description
Price & Qty.
Part No. &
Part Description
1
MD122524CLAMP, Hose (56mm) 1
MF661026CLAMP, Hose (56mm)
1
MD108871
DUCT, Air Cleaner
2
MD021443
CLIP, Hose (60mm)
3
MD122530CLAMP, Hose (90mm) 3
MF661041CLAMP, Hose (90mm)
3
MD081212
WING NUT and WASHER
4
MD603945
COVER, Air Cleaner
5 
5
5
MD603800
ELEMENT, Air Cleaner
6
MD603385
BODY, Air Cleaner
7
MD078668
GASKET, Air Cleaner
8
MD603360
FILTER, Secondary Air
9
MD603936CASE, Secondary Air 9
MD620147CASE, Secondary Air
11
MD603459COLLAR, Insulator
12
MF450291WASHER, Plain (6mm)
13
MS440542NUT and WASHER (6x12mm)
14
MD083596
DUCT, Heat (38x50mm)
15 
15 
15 
16
MD620013
BODY, Air Cleaner
16 
16
17
MD603932
ELEMENT, Air Cleaner
19
MD620002GASKET, Air Flow Sensor 19
MD620340GASKET, Air Flow Sensor
20
MD620000
FILTER, Noise Reduction
21
MD620014
COVER, Air Cleaner
22
MD620003
GROMMET, Connector
24 
24
MF351284SCREW and WASHER (4x10mm)
Genuine Mopar Parts, the Right Choice
MoparPartsGiant.com offers the wholesale prices for genuine 1987
Dodge Colt parts. Parts like Air Cleaner are shipped directly from authorized Mopar dealers and backed by the manufacturer's warranty. Parts fit for the following vehicle options. Engine: . Transmission: 4-Speed Manual Transmission, 5-Speed Manual Transmission, Automatic Transmission.