4 diagrams found for the vehicle you selected.Select your vehicle options to narrow down results.
- 1.FUEL THROTTLE CONTROL 3.0L ENGINE W/A604 ELECTRONIC TRANSMISSION A,C,Y,S BODY
- 2.FUEL THROTTLE CONTROL 3.0L ENGINE W/A670 TRANSMISSION S BODY
- 3.FUEL THROTTLE CONTROLS 2.2L AND 2.5L ENGINE
- 4.FUEL THROTTLE CONTROLS TURBO CHARGER I AND II
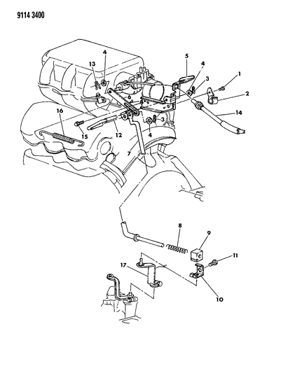
Ref No.
Part No. & Part Description
Price & Qty.
Part No. &
Part Description
1
4405091
BRACKET, Throttle Control Cable Mounting
1
4300009
BUNDLER, Throttle Control Cables
1
4300844CABLE, Throttle Control- Fitting Vehicle Options: PAJKGH
1
4300847CABLE, Throttle Control- Fitting Vehicle Options: S
2
4405073
BRACKET, Cable Mounting
2
4300843
CABLE, Throttle Control
2
4324391CABLE, Throttle Control- Fitting Vehicle Options: PAJKGHC
2
4324398CABLE, Throttle Control- Fitting Vehicle Options: L
2
4405194CABLE, Throttle Control- Fitting Vehicle Options: S
3
4287550BRACKET, Cable Mounting- Fitting Vehicle Options: CS, PAJKGH
3
4300828BRACKET, Cable Mounting- Fitting Vehicle Options: L
6025867CLIP- (use up to 6/8/89)
- Require Quantity: 2
- Package Quantity: 1
3
6033856CLIP- (use after 6/8/89)
- Require Quantity: 2
4
4300982
BRACKET, Cable Mounting Automatic Transmission
5
4324396
BRACKET, Cable Mounting
5
5240826
LEVER, Automatic Transmission Throttle Control
5 
6
4405093
CABLE, Kickdown Automatic Transmission
6
4405008
SPRING, Accelerator Return
7
4405096
CABLE, Automatic Transmission
7
6033504
CLIP, Automatic Transmission Lever
8
4300982
BRACKET, Automatic Transmission Cable
9
5240826
LEVER, Automatic Transmission Throttle Control
9
4458111
SPRING, Accelerator Pedal Return
14
4300843
CABLE, Throttle Control
16
4288094
SPRING, Rod Return
17
4307554
LEVER, Throttle Control Automatic Transmission
Genuine Mopar Parts, the Right Choice
MoparPartsGiant.com offers the wholesale prices for genuine 1989
Dodge Caravan parts. Parts like Throttle Control are shipped directly from authorized Mopar dealers and backed by the manufacturer's warranty. Parts fit for the following vehicle options. Engine: 4 Cyl 2.5L, 6 Cyl 3.0L. Transmission: 3-Speed Automatic Transmission, 4-Speed Automatic Transmission, 5-Speed Manual Transmission.