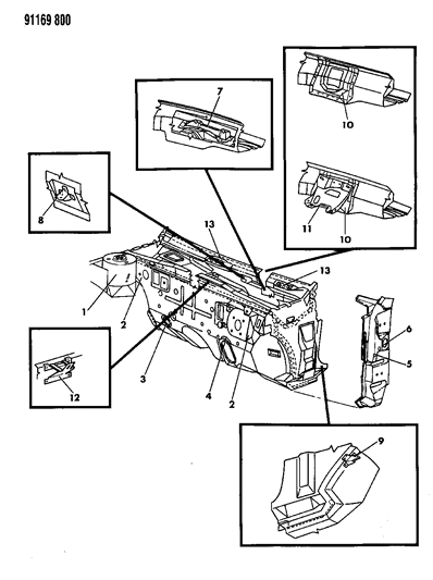
Diagram (1 of 1): BODY - SHEET METAL EXCEPT DOORS BRACKET AND PLUGS COWL P BODY 24,27,44
Ref No.
Part No. & Part Description
Price & Qty.
Part No. &
Part Description
2 
7
4416229
BRACKET, Cowl Plenum w/Wiper Motor
8
5256065
BRACKET, Cowl Plenum Reinf. w/Wiper Motor
9
4206641BRACKET, Dash Panel To Plenum Brace Lt.
10
4337643
SUPPORT, Cowl Plenum Strg. Col. Bracket
11
4294429
SUPPORT, Brake Pedal To Plenum
12
4371623
SUPPORT, Cowl Plenum Grille
13
4371464
PLATE, Weld Stud Cowl Plenum Panel Reinf. w/Wiper Pivot
Genuine Mopar Parts, the Right Choice
MoparPartsGiant.com offers the wholesale prices for genuine 1991
Dodge Shadow parts. Parts like Bracket & Plugs Cowl are shipped directly from authorized Mopar dealers and backed by the manufacturer's warranty. Parts fit for the following vehicle options. Engine: 4 Cyl 2.2L, 4 Cyl 2.5L. Transmission: 3-Speed Automatic Transmission, 5-Speed Manual Transmission.