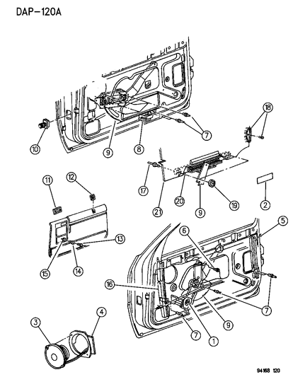
Diagram (1 of 1): DOORS & RELATED PARTS P-BODY DOOR--FRONT GLASS--REGULATORS--SPEAKERS P BODY 24
Ref No.
Part No. & Part Description
Price & Qty.
Part No. &
Part Description
1
4658126MOTOR, w/Mechanism, Regulator, Right- MOTOR, w/Mechanism, Regulator, Right
1
4658127MOTOR, w/Mechanism, Regulator, Right- MOTOR, w/Mechanism, Regulator, Left
2
4365683
DECAL, Safety Belt
4
4469060ADAPTOR, Speaker, Right 4
4469061ADAPTOR, Speaker, Right
5
4336970RETAINER, w/Bracket, Glass Run lower, Right- RETAINER, w/Bracket, Glass Run lower, Right
5
4336971RETAINER, w/Bracket, Glass Run lower, Right- RETAINER, w/Bracket, Glass Run lower, Left
9
4396699REGULATOR, Glass- SPRING, Manual Regulator Assist
- Require Quantity: 2
9
4415184REGULATOR, Glass- PLATE, Electric Regulator, Right
9
4415185REGULATOR, Glass- PLATE, Electric Regulator, Left
9
9
9
9
12
D444HD5BEZEL, Locking Knob- Quartz
- Require Quantity: 2
12
D444JV4BEZEL, Locking Knob- Champagne
- Require Quantity: 2
4415824HANDLE, Window Regulator- COVER, Handle
- Require Quantity: 2
14
15 
16
4675256RETAINER, w/Bracket, Glass Run lower Front, Right- RETAINER, w/Bracket, Glass Run lower Front, Right
19
4396734GASKET, w/Washer, Glass Att.
20
4396736CHANNEL, Glass Lift
Genuine Mopar Parts, the Right Choice
MoparPartsGiant.com offers the wholesale prices for genuine 1994
Dodge Shadow parts. Parts like Door - Front Glass - Regulator - Speaker are shipped directly from authorized Mopar dealers and backed by the manufacturer's warranty. Parts fit for the following vehicle options. Engine: 4 Cyl 2.2L, 4 Cyl 2.5L, 6 Cyl 3.0L. Transmission: 3-Speed Automatic Transmission, 4-Speed Automatic Transmission, 5-Speed Manual Transmission.